آخرین محصولات ویژه

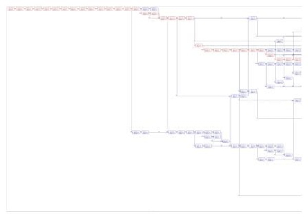
برنامه زمانبندی ساختمان اسکلت بتنی 6 طبقه - 18 ماهه (4 طبقه + زیرزمین + پارکینگ)

دسته بندي : عمران و معماری

مدیریت مؤثر پروژه  یک اصل کلیدی  در هر پروژه  مهندسی است. زمان بندی پروژه یکی از ابزار بسیار مهم است که در برنامه ریزی و پیگیری فعالیت های پروژه  در طی یک بازه زمانی مشخص استفاده می شود. روش های  تعیین مسیر بحرانی سبب می شوند تا اعضای تیم پروژه بتوانند فعالیت هایی را که در مسیر بحرانی قرار دارند و نمی توان آنها  را به تأخیر انداخت، مگر اینکه  کل پروژه با  تأخیر روبرو  شود، شناسایی کنند.
فعالیت هایی که در مسیر بحرانی قرار نگرفته اند را می توان در گروه فعالیت های شناور قرار داد.
نوع برنامه‌ی زمان‌بندی که توسط پیمانکار استفاده می‌شود، ممکن است در اسناد پیمان مشخص شده باشد و یا توسط خود پیمانکار انتخاب شود. نوع و شکل برنامه زمان‌بندی باید همچون یک ابزار ارتباطی خوب عمل کند و امکان مدیریت صحیح منابع را نیز فراهم آورد. بنابراین روشن بودن و درک برنامه‌ی زمان‌بندی توسط طرفین پیمان امری بحرانی محسوب می‌شود.

  • نوع فایل: MSP-PDF
  • تاریخ: شمسی
  • گانت‌چارت
  • مدت: 433
  • تعدادفعالیت: 211
  • زمانبندی - مسیر بحرانی - CPM - نمودار گانت
  • زبان: فارسی
  • محدوده زمانی: 93-94

 

  1. زمانبندی تفصیلی
  2. مسیر بحرانی
  3. نمودار شبکه CPM
  4. برنامه زمانبندی به همراه نمودار گانت چارت، مسیر بحرانی، ساختار شکست، هر فعالیت شامل فعالیت های اصلی:
  • اجرای ساختمان چهار طبقه با زیرزمین و پارکینگ
    • اجرای پی
    • اجرای اسکلت بتنی
      • اجرای ستون های زیرزمین
      • اجرای سقف زیرزمین
      • اجرای ستون های پارکینگ
      • اجرای سقف پارکینگ
      • اجرای ستونهای طبقه اول
      • اجرای سقف طبقه اول
      • اجرای ستون های طبقه دوم
      • اجرای سقف طبقه دوم
      • اجرای ستون های طبقه سوم
      • اجرای سقف طبقه سوم
      • اجرای ستون های طبقه چهارم
      • اجرای سقف طبقه چهارم
    • اجرای بام
    • اجرای سقف نورگیر
    • اجرای تیغه بندی داخلی و خارجی
    • اندود گچ و خاک سقف و دیوارها
    • نماسازی
    • اجرای تاسیسات مکانیکی - مرحله اول
      • کنده کاری های مربوط به تاسیسات
      • لوله کشی آب سرد و گرم - سرمایشی و گرمایشی
    • اجرای تاسیسات برقی - مرحله اول
    • کف سازی طبقات
      • اجرای سرویس ها و آشپزخانه ها
      • کرم بندی
      • عایقکاری
      • اجرای کاشی و سرامیک
        • اجرای قرنیزها و سنگ کف پنجره ها
        • اجرای سنگ ازاره و سنگ پله و پاگرد
      • سفیدکاری سقف ها و دیوارها
        • نقاشی سقف و دیوارها
    • اجرای تاسیسات برقی - مرحله دوم

دسته بندی: عمران و معماری

تعداد مشاهده: 6339 مشاهده

کد فایل:7545

انتشار در:۱۴۰۲/۸/۱۰

حجم فایل ها:817.8 کیلوبایت

تعداد صفحات: 5

زبان: فارسی

فرمت: نامشخص

فهرست: نامشخص

منابع و مآخذ: دارد

جدول و نمودار: دارد

عکس و تصویر: دارد

محتوای فایل: PDF، MPP/MSP


اشتراک گذاری:
 قیمت: 133,000 115,000 تومان
پس از پرداخت، لینک دانلود فایل برای شما نشان داده می شود.   پرداخت و دریافت فایل

محصولات مرتبط